Tailored solutions for diverse sectors and challenges.
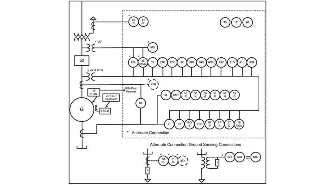
Correctly configuring protection with confidence has never been easier than with the BE1-11. The BE1-11g Generator Protection System is designed with a complete line of protection and control elements, from backup distance (21) protection to phase differential (87). An available advanced synchronizer (25A) includes selectable phase-lock-loop and anticipatory modes. The BE1-11g has many features to address issues with reliability arising from programming complexity. With BESTspace™ files, multiple BESTlogic™Plus preprogrammed logic schemes, and associated application notes, you can be confident that you have the protection you need.
Technical Support is available any time of day or night, every day of the year. We look forward to hearing from you. Services include:
We want to hear from you. Send us a note with your feedback or questions.
Select a Country
Select a State
Select a County
Select a Market Segment
Select a Market Subsegment
"*" indicates required fields